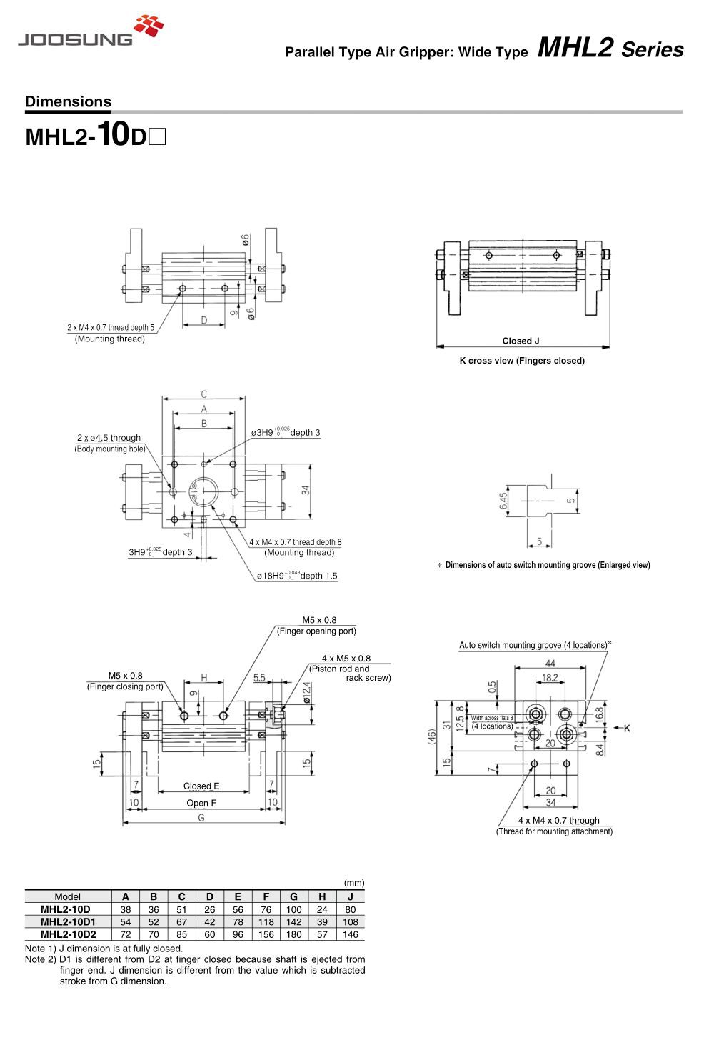
Екі тырнақ саусақтарының MHS2-25D сериясы, сонымен қатар пневматикалық қысқыш тырнақ немесе пневматикалық қысқыш саусақ ретінде белгілі, жұмыс бөлігін қысу немесе ұстау үшін қуат ретінде сығылған ауаны пайдаланатын атқарушы құрылғы. Цилиндр диаметрі mhs2-16d (16) мм, hs2-20d (20 мм) және т.

| ●Пневматикалық ұстағыш MHS2-25D Бұл ауа ұстағыштары қарқынды қолданбаларда және пластикалық бөтелке үрлеу машиналары мен лазерлік кесу машиналары сияқты жоғары технологиялық машиналарда қолданылады. ●Өндіріс құны жоғары, бірақ әділ сату бағасы. Бұл бағада өнім арзан ●Пневматикалық ұстағыш MHS2-25D Өте жақсы сапа және әділ баға ●Қос әрекетті екі қолды ауа ұстағыш |



|
| |





1.Q: Сіздің зауыт сапаны бақылауды қалай жасайды?
A: Бізде кәсіби сынақ жабдықтары мен сынақ қызметкерлері бар.
Әрбір өнім орау және жөнелту алдында толық жиналады және мұқият тексеріледі.
2.Q: Сіздің сапаны тексеру үшін үлгіні қалай алуға болады?
A: Бірнеше бөліктер үшін баға расталғаннан кейін сапаны тексеру үшін үлгілерді талап ете аласыз. Егер сізге бірнеше бөлік қажет болса, біз оларды экспресс жүкті көтерген кезде тегін береміз.
3.Q: Мен қандай баға ала аламын?
A: Біз әдетте сіздің сұрауыңызды алғаннан кейін 24 сағат ішінде баға белгілейміз.

Ыстық тегтер: mhs2-25d, Қытай, жеткізушілер, өндірушілер, зауыт, тапсырыс, көтерме



